Leyon FM UL EASYPAC FLOOR CONTROL RISER MANIFOLD ASSEMBLIES 1 1/4”-8” DN32-DN200

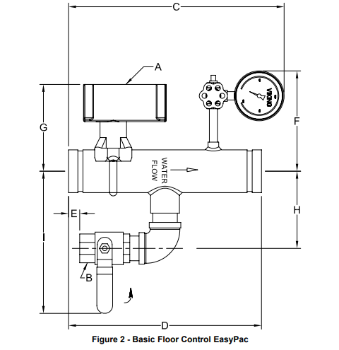
EasyPac Floor Control Riser Manifold Assemblies are available in sizes 1-1/4”,1-1/2”, 2”, 2-1/2”, 3”, 4”, 6” and 8” for commercial use, in high rise buildings requiringfloor control assemblies. They are available with an AGF TESTanDRAIN valve, and/or pressure relief valve (PRV) to meet NFPA 13 requirements for gridded systems and any system requiring a pressure relief valve. This configuration eliminates the need to drain
the system before installing the relief valve, while a built-in test port allows hydrostatic testing without draining the system.

Category:

Application Areas

From soaring commercial towers and industrial plants to vital municipal projects and residential complexes, our firefighting valves provide unmatched reliability where safety matters most. Designed to perform under pressure, they safeguard lives and assets across diverse environments—ensuring your fire protection system is always ready when it counts.

Why Choose Our Leyon

Engineered for Critical Environments

We deliver reliable firefighting valves with advanced manufacturing, strict testing, and global standards—backed by fast delivery and expert support.

Why Choose Our firdip

A1: Our products meet ISO, UL, FM, CE and other international certifications to satisfy different market and project requirements.

A2: Yes, we offer customization in size, pressure rating, connection type, and surface treatment to meet specific application needs.

A3: Standard models can usually be shipped within 7–15 days. Bulk or customized orders will require confirmation of the exact lead time.

A4: We implement strict raw material inspection, process control, and final product testing, backed by warranty and after-sales support.

error: Content is protected !!