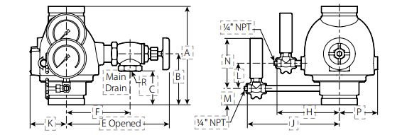
Leyon FM UL FireLock Check Valves Series 717R Check Valve with Riser Check Kit Series 717HR High Pressure Check Valve with Riser Check Kit

Available Sizes
• Series 717HR: 2 – 3″/DN50 – DN80
• Series 717R: 4 – 8″/DN100 – DN200
Pipe Material
• Carbon steel, Schedule 10, Schedule 40. For use with alternative materials please contact Victaulic.
Maximum Working Pressure
• Up to 365 psi/2517 kPa/25 bar
• Working pressure dependent on pipe size, valve size and approval requirements.
Application
• Prevents back flow
• Single-disc mechanism incorporates a spring-assisted feature for non-slamming operation
• Can be installed either vertically (flow upwards only) or horizontally
• Valve body cast with arrow indicator to assist with proper valve orientation

Category:

Application Areas

From soaring commercial towers and industrial plants to vital municipal projects and residential complexes, our firefighting valves provide unmatched reliability where safety matters most. Designed to perform under pressure, they safeguard lives and assets across diverse environments—ensuring your fire protection system is always ready when it counts.

Why Choose Our Leyon

Engineered for Critical Environments

We deliver reliable firefighting valves with advanced manufacturing, strict testing, and global standards—backed by fast delivery and expert support.

Why Choose Our firdip

A1: Our products meet ISO, UL, FM, CE and other international certifications to satisfy different market and project requirements.

A2: Yes, we offer customization in size, pressure rating, connection type, and surface treatment to meet specific application needs.

A3: Standard models can usually be shipped within 7–15 days. Bulk or customized orders will require confirmation of the exact lead time.

A4: We implement strict raw material inspection, process control, and final product testing, backed by warranty and after-sales support.

error: Content is protected !!