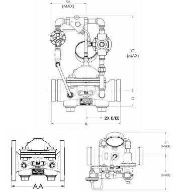
Leyon FM UL Model 8050B 4KG1 Fire Protection Pressure Relief Valve

Model 8050B 4KG1 Fire Protection Pressure Relief Valve is specifically designed for fire system pump applications, precisely controlling pressure. When the system pressure is too high, it automatically opens to relieve pressure and maintain stable pump discharge pressure. It is sensitive, with controllable opening and closing speeds, and UL & FM certified. It is suitable for fire pump rooms and fire pipe networks, effectively preventing system overpressure damage.

Category:

Application Areas

From soaring commercial towers and industrial plants to vital municipal projects and residential complexes, our firefighting valves provide unmatched reliability where safety matters most. Designed to perform under pressure, they safeguard lives and assets across diverse environments—ensuring your fire protection system is always ready when it counts.

Why Choose Our Leyon

Engineered for Critical Environments

We deliver reliable firefighting valves with advanced manufacturing, strict testing, and global standards—backed by fast delivery and expert support.

Why Choose Our firdip

A1: Our products meet ISO, UL, FM, CE and other international certifications to satisfy different market and project requirements.

A2: Yes, we offer customization in size, pressure rating, connection type, and surface treatment to meet specific application needs.

A3: Standard models can usually be shipped within 7–15 days. Bulk or customized orders will require confirmation of the exact lead time.

A4: We implement strict raw material inspection, process control, and final product testing, backed by warranty and after-sales support.

error: Content is protected !!