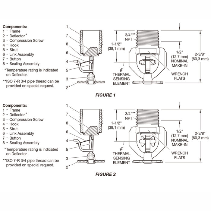
Description
| Model | TY7223 |
| Material | Brass,Bronze |
| Discharge Coefficient | K = 16.8 gpm/psi½ (241,9 lpm/bar½) |
| Temperature Rating °F (°C)1 | 165°F (74°C) and 212°F (100°C) |
| Thread Size | 3/4 inch NPT or ISO 7-R 3/4 |
| Maximum Working Pressure, psi (bar) | 175 psi (12,1 bar) |








